纳滤浓缩稀土母液沉淀上清液的实验研究

Experimental study on precipitating supernatant of rare earth mother liquor by nanofiltration

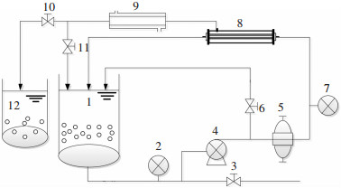
  • 摘要: 以赣州某稀土公司浸矿所得稀土母液经NH4HCO3除杂沉淀后的上清液为处理对象,主要研究纳滤技术对原液中稀土离子的浓缩效率,以及对NH3-N分离回收情况,以期能够为工业化分离应用提供借鉴.实验表明,当原液中稀土离子浓度为142.9 mg/L,氨氮浓度为346.1 mg/L时,在操作压力为0.8 MPa,进水pH值为6.49,运行温度为25 ℃的条件下,浓缩液侧稀土离子截留率达到95 %以上,Ca2+、Mg2+、Mn2+、Zn2+等杂质离子截留率能够达到75 %~90 %,透过液侧氨氮浓度为原浓度的60 %左右,有一定的浓缩效果;6.0 L的稀土母液沉淀上清液浓缩至0.6 L时,RE3+浓度升高至1 242.0 mg/L,浓缩了近8.69倍.

     

    Abstract: The supernatant of rare earth mother solution obtained from the leaching of a rare earth company in Ganzhou is treated by the supernatant after NH4HCO3 removal of impurity. The concentration efficiency of rare earth ions in the raw liquid by nanofiltration and the separation and recovery of NH3-N are mainly studied, so as to provide reference for industrial application. The experimental results showed that when the concentration of rare earth ions in the raw liquor was 142.9 mg/L and the concentration of ammonia nitrogen was 346.1 mg/L, the retention rate of rare earth ions in the concentrated liquid side reached 95 % when the operation pressure was 0.8 MPa, the influent pH was 6.49, and the running temperature was 25 degrees. The intercepting rate of impurity ions, such as Ca2+, Mg2+, Mn2+ and Zn2+, can reach 75 %~90 %. The ammonia nitrogen through the liquid side is about 60 % of the original concentration. When the supernatant of the rare earth mother solution of 6.0 L is concentrated to 0.6 L, the concentration of RE3+ is increased to 1 242.0 mg/L, and the concentration is nearly 8.69 times.

     

/

返回文章
返回