激光功率对碟阀表面熔覆Ni 基合金涂层性能的影响

Effects of laser power on performance of cladding Ni-based alloy coating on surface of butterfly valve

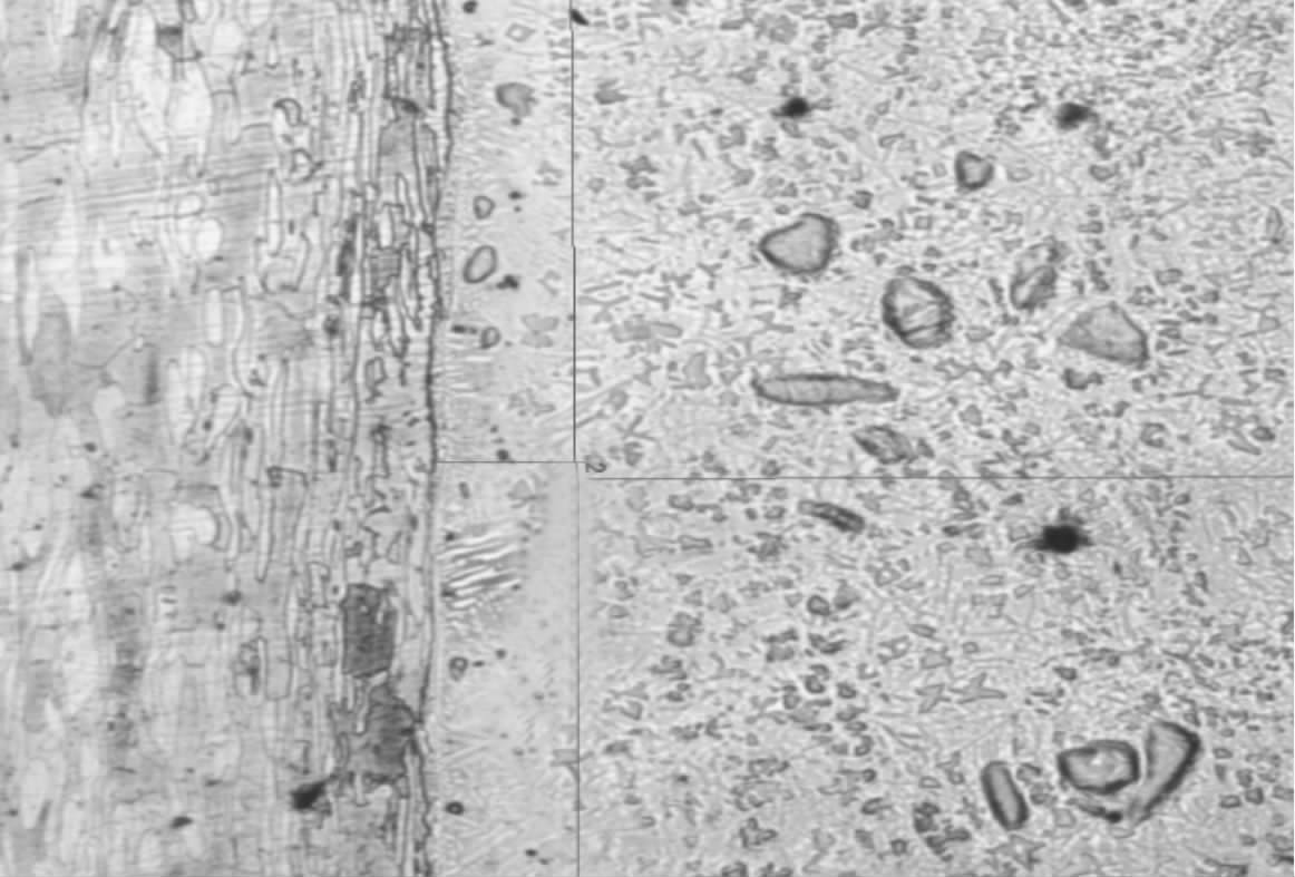
  • 摘要: 采用半导体激光器在2205双相不锈钢表面激光熔覆Ni基合金涂层.借助扫描电镜、电化学综合测试仪和硬度测试仪等,探讨了激光功率对涂层稀释率、微观组织、耐腐蚀性能及硬度的影响.结果表明:激光功率越大,涂层稀释率越大,熔覆层与基体元素发生更多的对流扩散;熔覆层的耐腐蚀性能随激光功率的增加而降低,当激光功率为2.7 kW时,熔覆层的自腐蚀电位最低,为-0.46 mV,腐蚀电流最小,为3.47×10-5 A/cm2. 硬度测试实验表明,激光熔覆Ni基合金涂层硬度最高达680 HV,约为基体硬度的2.5倍.

     

    Abstract: The effect of laser power on the dilution rate, microstructure, corrosion resistance and hardness of the coating were investigated by adopting semiconductor laser to laser clad Ni based alloy coating on 2205 duplex stainless steel and by means of SEM, electrochemical synthesis tester and hardness tester. The results show that dilution rate of the coatings increases with the increase of the laser power and there is more convection and diffusion of the cladding layer and the matrix elements; cladding layer resistance corrosion resistance decreases with the increase of the laser power when laser power is 2.7 kW, the cladding layer of the self corrosion potential is -0.46 mV which is at minimum, and corrosion current is 3.47×10-5 A/cm2 which is at minimum. The hardness test results show that the hardness of the laser clad Ni based alloy coating is up to 680 HV, which is about 2.5 times that of the matrix alloy.

     

/

返回文章
返回